Nazivna struja 80A izravno
MID certifikat
Visoka točnost klase C
Montaža na DIN šinu od 35 mm
Pulsni izlaz
4 modula širine 72 mm
Za IoT upravljanje energijom, tvornica, škola
Prava RMS mjerenja
THD sa 63. harmonicima
K-faktor i krest faktor
Neuravnoteženost i fazni kutovi
Zahtjevi i višetarifna energija
Dnevnik maks./min. s vremenskom oznakom
+86-18702106858 / +86-21-69156352
APM810 je trofazni izmjenični višenamjenski panelni mjerač klase 0.2S dizajniran za precizno praćenje energije, dijagnostiku kvalitete električne energije i podnaplatu stanarima u industrijskim, komercijalnim i centralama podatkovnih centara. Kompaktno 96×96 mm DIN kućište sadrži TFT zaslon u boji osjetljiv na dodir koji prikazuje pravi RMS napon do 690 V, struju, frekvenciju, aktivnu/jalovu/prividnu snagu, PF, potražnju, harmonike do 63., THD i četiri kvadranta kWh/kvarh. Dvostruki RS485 Modbus-RTU, Ethernet TCP/IP, BACnet/IP, SNMP i dodatni Wi-Fi/LoRa pružaju besprijekornu BMS/EMS integraciju, dok 4 MB ugrađene memorije bilježi 12-mjesečne profile opterećenja za energetske preglede. Konfigurabilni nad/podnapon, struja, PF i harmonijski alarmi pokreću relejne izlaze ili digitalne ulaze za pametnu kontrolu prekidača; pulsni, SOE i tarifni TOU registri podržavaju komunalne AMI, mjerenje solarne mreže i aplikacije za punjenje električnih vozila. Široki 3 × 57,7–690 V, 0,001–10 A izravna ili CT/VT veza plus brtvljenje zaštićeno od neovlaštenog otvaranja odgovara bilo kojoj pametnoj mreži ili mikro mreži.
| Tehnički parametri | Vrijednost | |||
| Unos | Veza | Jednofazna-2-žica, 3-faza-3-žica, 3-faza-4-žica | ||
| Učestalost | 45-65 Hz | |||
| Napon | Ocjena: | |||
| jednofazni : AC 100V、400V | ||||
| Trofazni: AC 3×57,7V/100V(100V)、3×220V/380V(400V)、3×380V/660V(660V)(samo veličina 96) | ||||
| Preopterećenje: ocjena 1,2 puta {kontinuirano) : ocjena 2 puta za 1 sekundu | ||||
| Potrošnja energije:< 0,5VA | ||||
| Trenutni | Ocjena: AC IA、5A | |||
| Preopterećenje: ocjena 1,2 puta (kontinuirano); ocjena 10 puta za 1 sekundu | ||||
| Potrošnja energije:< 0,5VA | ||||
| Izlaz | Električna energija | Izlaz mode:open-collector photo-coupler pulse | ||
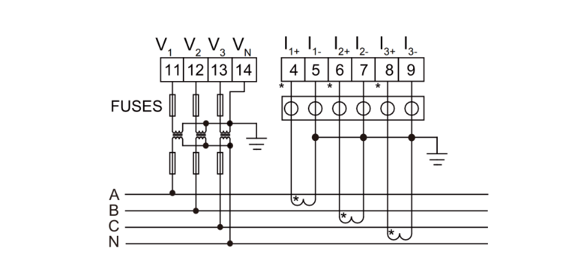
| Konstanta pulsa: 10000 imp/kWh (podesiva), pogledajte dijagram ožičenja za detalje; | ||||
| Komunikacija | RS485 port, Modbus -RTU protokol, DLT645 protokol (verzije 07 i 97), | |||
| brzina prijenosa 1200 ~ 38400 | ||||
| Funkcija | Prebacivanje ulaza | Ulaz sa suhim kontaktom, ugrađeno napajanje; ako je model KA, aktivan je AC 220 V. | ||
| Preklopni izlaz | Izlaz mode: Relay normally open contact output | |||
| Kapacitet kontakta: AC 250V/3A、 DC 30V/3A | ||||
| Analogni izlaz | 4 - 20 mA | |||
| Klasa točnosti | Učestalost:0.05Hz,Current、Voltage:0.2 class,Reactive power:l .0class,Reactive Electric energy:l .0class, active power:0.5class,active electric energy: 0.5class,2-31th harmonic measurement:±1% | |||
| Napajanje | AC/DC 85-265V ili DC24V(±20%)ili DC48V(±20%) | |||
| potrošnja energije≤10VA | ||||
| Sigurnost | Podnosivi napon frekvencije snage | Između napajanja//Preklopni izlaz// Strujni ulaz//naponski ulaz i prijenos// Komunikacija //Pulsni izlaz//preklopni ulaz AC 2 kV 1min; | ||
| Između Napajanje、preklopni izlaz、Ulazna struja、Ulazni napon AC 2 kV 1min; | ||||
| Između odašiljanja、komunikacije、impulsnog izlaza、sklopnog ulaza AC 1kV 1 min; | ||||
| Otpor izolacije | Unos、Output end to machine enclosure >100MΩ | |||
| okoliš | Temperatura | rad: -25°C~ 65°C skladištenje: -40°C ~ 80°C | ||
| Vlažnost | ≤93% RH bez kondenzacije | |||
| Nadmorska visina | ≤2500m | |||
Rješenje za nadzor napajanja
Osnovana 2003. godine, Acrel Co., Ltd.【Brošura: 300286.SZ】 je visokotehnološko poduzeće specijalizirano za rješenja za upravljanje energijom i električnu sigurnost. Sa sjedištem u Šangaju, Acrel nudi inovativna i održiva rješenja za energetsku učinkovitost i električnu sigurnost mikromreža. S više od 600 patenata i autorskih prava na softver, Acrel je implementirao više od 28 000 sistemskih rješenja diljem svijeta, tvoreći sveobuhvatnu "cloud-edge-end" energetsku internetsku arhitekturu.
Acrel Co., Ltd. je Kina Veleprodaja AC trofazni mjerač energije koji se može programirati na ploči Proizvođači i AC trofazni mjerač energije koji se može programirati na ploči Tvornica. Acrelov integrirani ekosustav proizvoda obuhvaća sve od softvera za cloud platforme do komponenti za krajnje korisnike, pokrivajući sektore poput energetike, obnovljivih izvora energije, podatkovnih centara, pametnih zgrada, prometa i pametnih gradova. Ova rješenja omogućuju inteligentno upravljanje energijom u stvarnom vremenu, poboljšavajući energetsku sigurnost i smanjujući operativne troškove. Nudimo AC trofazni mjerač energije koji se može programirati na ploči na prodaju.
Proizvodni pogon tvrtke, Jiangsu Acrel Electric Manufacturing Co., Ltd., pridržava se strogih standarda kvalitete i smjernica za zaštitu okoliša, s naprednim centrima za testiranje i predanošću proizvodnim procesima bez olova. Acrelov tim od preko 500 inženjera isporučuje vrhunske sustave energetske učinkovitosti i pametna energetska rješenja.
S jakom domaćom prisutnošću, Acrel se aktivno širi na međunarodnoj razini, uz podršku globalne mreže prodajnih i tehničkih timova te platforme za e-trgovinu koja osigurava besprijekorna iskustva u pružanju usluga diljem svijeta. Acrel je ponosan što pomaže tvrtkama da poboljšaju učinkovitost, smanje potrošnju i postignu ciljeve održivosti.
Zajedno gradimo pametniju i zeleniju budućnost.
Ovlašteni patenti
0+Broj usluženih kupaca
0+Ukupno zaposlenika
0+Proizvodna baza
0m²Dobrodošli na povezivanje U kontekstu brzog razvoja nove energetske industrije, scenariji poput npr komercijalno i industrijsko skladištenje energije , stanice za zamjenu baterija , i fotonaponski skladišni sustavi za kućanstva postavili veće zahtjeve prema točnos...
Čitaj višePozadina industrije i važnost primjene Sabirnice služe kao okosnica električnih distribucijskih sustava u industrijama, od sklopnih uređaja, industrijskih pogona, pretvarača obnovljive energije, sustava za pohranu baterije (BESS) i elektronike za napajanje električnih vozila. S porastom sustav...
Čitaj višePozadina industrije i važnost primjene Brzo usvajanje električnih vozila (EV) pokreće nove zahtjeve za infrastrukturom u stambenim okruženjima s više stanara kao što su apartmanska naselja, zgrade mješovite namjene i višeobiteljske stambene zgrade. Za razliku od obiteljskih kuća, stanovi običn...
Čitaj više