Primjena Acrel Medical IT sustava u malezijskim bolnicama
Dom / Projekti / Bolnica / Primjena Acrel Medical IT sustava u malezijskim bolnicama

Primjena Acrel Medical IT sustava u malezijskim bolnicama

Uz sve veću upotrebu elektroničke medicinske opreme u bolnicama, rizik od curenja struje predstavlja značajnu prijetnju sigurnosti pacijenata, osobito u okruženjima kritične njege. Tijekom kirurških zahvata ili anestezije pacijenti su izravno spojeni na različite elektrode i senzore. Čak i minimalne struje curenja mogu izazvati električni udar kada su medicinski uređaji u izravnom kontaktu s ljudskim tijelom.

Nadalje, oprema za održavanje života kritično bolesnih pacijenata mora održavati nesmetan rad. Svaki prekid struje mogao bi trenutno ugroziti živote pacijenata. Stoga bolnički električni sustavi moraju biti u skladu s nacionalnim standardima implementacijom IT sustava napajanja u određenim područjima.

Ova studija slučaja demonstrira primjenu Acrel-ovog medicinskog izoliranog sustava napajanja u Maleziji, koji uključuje:

Medicinska IT distribucija energije

Uređaji za nadzor izolacije

Sustavi za lociranje kvara

Kontaktirajte nas
  • Pregled projekta
  • Pregled projekta
    Malezija I.E.D nalazi se u SELANGOR DARUL EHSAN, projekt se uglavnom koristi u otočnoj bolnici u Maleziji, proizvodi se koriste za lociranje kvara izolacije 12 strujnih krugova za 3 kompleta bolničkog izoliranog elektroenergetskog sustava, srodni proizvodi su uređaj za praćenje izolacije AIM-M200, generator testa signala ASG150, centralizirani indikator alarma AID150, lokator greške izolacije AIL150-8, AIL150-4 i transformator struje curenja AKH-0.66P26.


    Uvod u medicinski IT sustav
    Uređaj za nadzor izolacije medicinskog IT sustava ACREL i sustav za lociranje kvara prikladan je za bolničke operacijske dvorane, intenzivnu njegu (CCU) i druga važna mjesta te može pružiti sigurno mjesto za takva kontinuirana, pouzdana rješenja napajanja.


    Rješenje za napajanje za medicinske lokacije
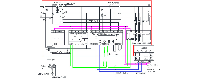
    Rješenja za distribuciju jedinica intenzivne njege, odjela za intenzivnu njegu (GGF-I8G dijagram sustava izoliranih električnih ormarića, na primjer)


    Opcija I bez funkcije lociranja kvara


    Opcija II s funkcijom lociranja kvara

    NAPOMENA: U rješenjima za distribuciju električne energije jedinice intenzivne njege, centralizirani alarm i uređaj za prikaz serije AID trebaju biti instalirani u stanici za medicinske sestre, bolničko osoblje stanice za medicinske sestre nadzire radni status svakog izoliranog sustava napajanja.


    Rješenja distribucije operacijske sobe (GGF-O8G izolirani dijagram sustava električnog ormara, na primjer)

    Opcija I bez funkcije lociranja kvara na izolaciji


    Opcija II s funkcijom lociranja kvara na izolaciji

    1. U rješenjima za distribuciju električne energije u operacijskoj dvorani, AID serija vanjskih alarma i uređaja za prikaz trebala bi biti instalirana na obavještajnu ploču unutar operacijske dvorane ili pored obavještajne ploče (montaža na zid). Tijekom operacije medicinsko osoblje prati ispravnost izoliranog elektroenergetskog sustava.

    2. U shemi s funkcijom lociranja kvara na izolaciji, ako je broj lociranih kanala veći od osam, mogu se koristiti dva seta lokatora AIL150. Kombinacija može biti AIL150-8 i AIL150-4 (do 12 kanala), ili AIL150 -8 i AIL150-8 (do 16 kanala).

    3. Tipični dijagram ožičenja






    4. Uvođenje 7-dijelnog medicinskog IT-a

    Naziv i vrsta proizvoda Slika proizvoda Opis
    Medicinski izolacijski transformator serije AITR Izolacijski transformator serije AITR posebno se koristi u medicinskim IT sustavima. Namoti su dvostruko izolirani i imaju elektrostatički zaštitni sloj, koji smanjuje elektromagnetske smetnje između namota. Senzor temperature PT100 ugrađen je u žičanu vrećicu za praćenje temperature transformatora. Cijelo tijelo je tretirano bojom za vakuumsku invaziju, koja povećava mehaničku čvrstoću i otpornost na koroziju. Proizvod ima dobre performanse porasta temperature i vrlo nisku razinu buke.
    AIM-M200 medicinski inteligentni instrument za nadzor izolacije AIM-M200 medicinski inteligentni instrument za praćenje izolacije usvaja naprednu tehnologiju mikrokontrolera, koja ima visoku integraciju, kompaktnu veličinu, praktičnu instalaciju i integrira inteligenciju, digitalizaciju i umrežavanje u jednom. To je idealan izbor za nadzor izolacije izoliranih energetskih sustava u medicinskim lokacijama klase 2 kao što su operacijske dvorane i jedinice intenzivne njege.
    Strujni transformator AKH-0.66P26 Strujni transformator tipa AKH-O 66P26 zaštitni je strujni transformator koji podržava monitor izolacije AIM-M200, čija je najveća mjerljiva struja 60 A, a omjer transformacije 2000:1. Strujni transformator je izravno fiksiran unutar ormara vijcima, a sekundarna strana je izvedena pomoću terminala, što je zgodno za instaliranje i korištenje.
    AIL150-4/AIL150-8 lokator kvara na izolaciji AIL150-4/AIL150-8 lokator kvara na izolaciji adopts high sensitivity transformer combined with a high precision signal detecting circuit, which detects the signal imported into the system from the ASG150 test signal generator and accurately locates the circuits which have insulation faults. AIL150-4 insulation fault locator can locate the insulation faults of 4 circuits, and the AIL150-8 insulation fault locator can locate the insulation faults of 8 circuits.
    ASG150 generator ispitnog signala Generator ispitnog signala ASG150 koristi 32-bitni mikroprocesorski čip i visokoprecizni krug za generiranje signala za realizaciju generiranja specifičnog testnog signala. Kada nadzirani IT sustav ima greške u izolaciji, može se pokrenuti i proizvesti testni signal na vrijeme, radeći s lokatorom greške u izolaciji da bi se utvrdilo mjesto greške u izolaciji.
    HDR-60-24 modul napajanja HDR-60-24 istosmjerno napajanje može osigurati 24 V DC napajanje istovremeno za AIM-M200
    medicinski inteligentni instrument za praćenje izolacije, ASG150 generator ispitnog signala, AIL150 serija lokatora izolacije i AID150 centralizirani alarm i instrument za prikaz. Napajanje je visokog kapaciteta, stabilnog izlaznog napona i praktične instalacije, što može zadovoljiti zahtjeve za napajanjem gore navedenih mjerača i preporučeni je proizvod za napajanje.
    AID1 50 centralizirani instrument za alarm i prikaz Centralizirani instrument za alarm i prikaz AID150 usvaja LCD zaslon s tekućim kristalima i ostvaruje razmjenu podataka s AIM-M200 medicinskim inteligentnim instrumentom za nadzor izolacije putem RS485 komunikacijskog sučelja, koje može u stvarnom vremenu pratiti višekanalne podatke AIM-M200 medicinskog inteligentnog instrumenta za nadzor izolacije.

    Fotografije na licu mjesta



Acrel Co., Ltd.