
language
Dobrodošli na povezivanje
U kontekstu brzog razvoja nove energetske industrije, scenariji poput npr komercijalno i industrijsko skladištenje energije , stanice za zamjenu baterija , i fotonaponski skladišni sustavi za kućanstva postavili veće zahtjeve prema točnost, kompatibilnost i inteligencija od mjerenje električne energije . Acrel Electric je razvio cijeli niz novih rješenja za instrumente za potporu energije. Ova su rješenja posebno dizajnirana za temeljne zahtjeve različitih scenarija primjene, pokrivajući potrebe mjerenja od kućanskih aplikacija male snage do velikih industrijskih i komercijalnih sustava za pohranu energije. Rješenja pružaju pouzdanu podršku za stabilan rad i precizno mjerenje novih energetskih sustava.
Stambeni fotonapon i skladištenje energije predstavljaju važan scenarij primjene za popularizaciju nove energije. Acrel je razvio visoko kompatibilne proizvode za instrumente koji ciljaju na različite podscenarije, uključujući usklađivanje pretvarača za pohranu energije, integracija hibridnog pretvarača, balkonski fotonaponski sustavi za pohranu i transparentni prijenosni sustavi od točke do točke za pohranu mikro energije . Ovi proizvodi uravnotežuju integraciju, brzinu mjerenja i komunikacijsku fleksibilnost.
Kao odgovor na tržišne karakteristike kompatibilnosti više marki u fotonaponskim sustavima i sustavima za pohranu energije, RS485 CT konfiguracija je usvojena kako bi se prilagodila nesigurnim uvjetima instalacije za profesionalne agente. Instrumenti su certificirani međunarodnim certifikatima CE-MID, UL i RCM. S brzinom osvježavanja podataka velikom brzinom od 50 ms, uređaji također podržavaju prilagodbu slijeda faza, osiguravajući precizno mjerenje i snažnu kompatibilnost.
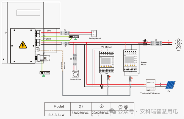
Za visoke integracijske zahtjeve dizajna pretvarača za pohranu energije sve u jednom i zahtjeve dvokanalnog mjerenja u scenarijima naknadne ugradnje, instrumenti su opremljeni naponskim i strujnim terminalima za brzo uključivanje i RJ45 komunikacijskim priključcima. Također podržavaju stope osvježavanja podataka od 50 ms i prilagodbu redoslijeda faza, zajedno sa sveobuhvatnim sustavom certificiranja, što ih čini prikladnima za scenarije naknadne ugradnje i nove instalacije.
Dizajnirano posebno za distribuirane fotonaponske sustave male snage i sustave za pohranu energije na balkonima, ovo rješenje uravnotežuje visoku integraciju s praktičnom instalacijom i puštanjem u rad. Osim toga dvokanalno mjerenje i terminali za brzo uključivanje , također podržava WiFi, WiFi HaLow i Bluetooth funkcije otklanjanja pogrešaka . Bežični dizajn značajno pojednostavljuje instalaciju u manjim scenarijima, a proizvod posjeduje CE-RED certifikat.
Za rješavanje slaba penetracija i nestabilne performanse mreže od traditional WiFi in micro-energy storage scenarios, WiFi HaLow (ispod 1 GHz) usvojena je komunikacijska tehnologija. U usporedbi s tradicionalnim WiFi-jem, pruža jaču sposobnost prodora i veću udaljenost prijenosa. U usporedbi s LoRa komunikacijom, nudi veću brzinu prijenosa i bolju stabilnost. Instrument izvorno podržava ovu tehnologiju, zahtijevajući samo dodatni AP na strani pretvarača kako bi se omogućila bežična komunikacija. Također podržava brzu mrežnu konfiguraciju jedan-na-jedan i jedan-na-više, što ga čini prikladnim za kućanske sustave s više invertera i balkonske mikroskladišne sustave.
Industrijska i komercijalna pohrana energije, velika pohrana energije i stanice za izmjenu baterija zahtijevaju stroge standarde točnosti mjerenja, brzine osvježavanja, fleksibilnosti instalacije i usklađenosti s propisima. Acrel nudi ugrađene instrumente i proizvode montirane na DIN-šinu na temelju ključnih zahtjeva kao što su višetarifna naplata, mjerenje potražnje, zaštita od obrnutog protoka energije i bežična komunikacija , podržavajući i nove instalacije i aplikacije za naknadnu ugradnju.
APM521 je dobio inozemni CSA (UL) certifikat i pruža točnost mjerenja aktivne energije do klase 0,2 s (klasa D). Opremljen je SD karticom za pohranu električnih parametara u stvarnom vremenu. Modularni dizajn modula za proširenje glavne jedinice podržava ugradnju i montažu na DIN-šinu, ispunjavajući raznolike zahtjeve za instalaciju u novim projektima.
Ovo je mjerač klase 0,5S s vanjskim CT-om, široko korišten u aplikacijama velikih korisnika. Podržava naknadno sekundarno ožičenje CT-a i može izravno spojiti struju sekundarne strane postojećih strujnih transformatora, što ga čini vrlo prikladnim za projekte naknadne ugradnje brojila. Proizvod posjeduje CPA, CE i UL certifikate i također se može prilagoditi u verziju s brzim osvježavanjem kako bi zadovoljio zahtjeve aplikacija visokih performansi.
Osim toga, industrijska i komercijalna rješenja također integriraju funkcije zaštite od preopterećenja. Sustav se može spojiti na visokonaponske i niskonaponske scenarije skladištenja energije i može raditi s višetarifnim brojilima električne energije kako bi se postiglo precizno mjerenje električne energije prema različitim tarifnim strukturama, pružajući sveobuhvatnu sigurnost i podršku upravljanju energijom za industrijske i komercijalne sustave skladištenja energije i stanice za izmjenu baterija.
U kontekstu stalnih nadogradnji u novoj energetskoj industriji, Acrel će se nastaviti fokusirati na inovacije i dalje poboljšavati svoju novu energetsku potpornu instrumentacijsku tehnologiju i sustav proizvoda. Tvrtka ima za cilj pružiti učinkovitije, inteligentnije i pouzdanije mjerenje električne energije solutions za komercijalno i industrijsko skladištenje energije, stanice za izmjenu baterija i fotonaponske aplikacije za pohranu u kućanstvu, pomažući u promicanju visokokvalitetnog razvoja nove energetske industrije.
